Table of Contents

MB-808-RE

Introduction

The MB-808-RE is a re-edit of TOMS/CONG and BD/SD drum parts of the Roland TR-808 to be controlled via MIDI or CV in a a Eurorack-designed panel.It's based upon the work done on MB-606RE
Some Circuit Mods from around Web & time are included .

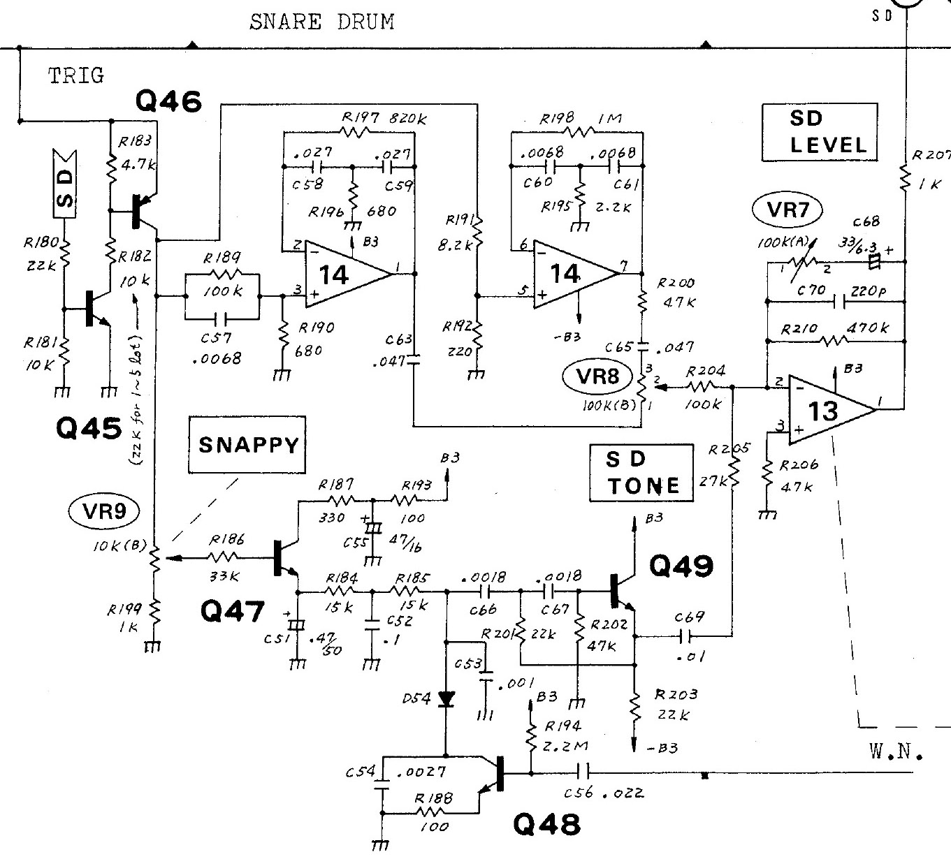
Original Schematics

Global

BD/SD

Toms/Congas

Mods