This is an old revision of the document!
Table of Contents
MB-808-RE
Introduction
The MB-808-RE is a re-edit of TOMS/CONG and BD/SD drum parts of the Roland TR-808 to be controlled via MIDI or CV in a a Eurorack-designed panel.It's based upon the work done on MB-606RE
Some Circuit Mods from around Web & time are included .
Original Schematics
Global
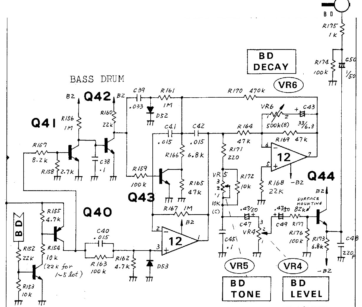
BD/SD
Toms/Congas
Mods
From Stereoping
The famous TR808-BD is quite perfect, not much to alter or improve.
changed R170 (470k) to resistor (380k) with a trimmer (100k) in series for adjustment of longest possible decay put an analog switch between decay-pot and C43 to switch between 2 different decays. The sequencers BD-steps have 3 states which are rotated each time you press the step-button: OFF with LED off, ON with LED on and variable decay (from the pot), ON with LED flashing and fixed short decay. Of course the short BD cuts off the long. Snaredrum
The snare consists of 3 elements: 2 t-bridge-oscillators and white noise going through a simple vca with a simple envelope for the noise-sound.
Tune for lower oscillator – R116 is replaced with 1M-Pot and 220k in series. The lower oscillator can be tuned then. The 220k will prevent bad sound in extreme potpositions. You also can take 2.2 MB-pot but beyond the 1M there wont happen too much. Noisefilter – R22 is replaced by 50k-Pot and 4.7k in series. Again the 4.7k prevents weird sounds. Noisedecay – i put a 10k-pot in parallel to C37. It is not the badest idea to have a socket for C37. Now you can replace it with different values for testing what you like most without soldering. To high values (>2,2µ) will result in slow loading time, you would loose the punchy attack TR606-pitch envelope for both oscillators just copied the tr606-SD-scheme 2 times, one for each oscillator the TR606-pitch envelope – when used – tunes the already hightuned oscillator 1 even higher. I changed C32/C33 (6.8n) into 10n and put some sockets for experimenting with different capacitor values witout the need for soldering. after building the noiseunit i was not happy with the sound. no matter how this 20k-pot was set, the white noise somehow sounded ‘granular’, not white. I changed the 100k-resistor at the opamp-input (R280) into a 5k-pot, much better now.




