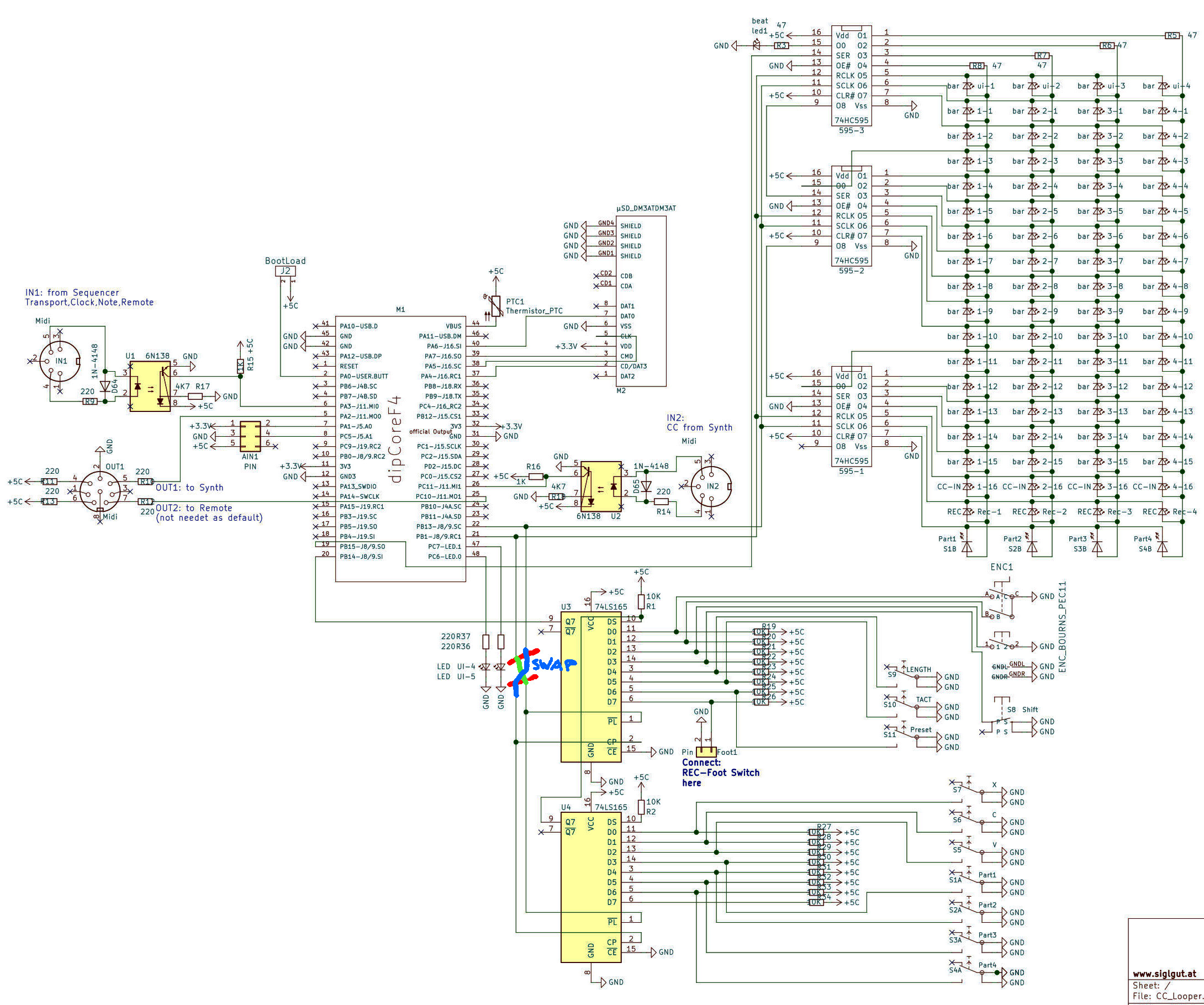
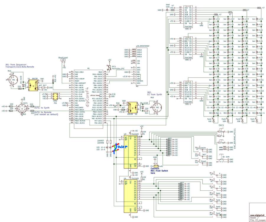
phatline:ccl-schema-proto.jpg
ccl-schema-proto.jpg

- Date:
- 2020/03/31 14:01
- Filename:
- ccl-schema-proto.jpg
- Format:
- JPEG
- Size:
- 790KB
- Width:
- 2180
- Height:
- 1820
- References for:
- cc-looper
This list might not be complete due to ACL restrictions and hidden pages.